autres kits
quelques exemples parmi les très nombreux coffrets éducatifs d'initiation à l'électronique :
le "Jeune Radio"
GéGé
Jouet Scientifique : Radiogama
Philips 1050-1051-1052
Philips X40
Tandy"50 in 1", "75 in 1", "150in 1"
coffret BUKI
voir le site très complet de Hans Otten , http://zpag.net/, et bien d'autres encore
l'inévitable "Jeune Radio"...
...

modèle n°3 de 1966

livré avec une pile ( pas d'origine...), mais la lampe était en
option ( agraffes plus récentes)
.. 
introuvables aujourd'hui : les premiers modèles avec bobines
plates hexagonales
supports en bois verni et lampe d'époque (fin années 1950 ?)
... 
1970, une boite plus grande et inutilement plus épaisse,
image futuriste, mais même contenu qu'en 1966 !
plus de pile ni d'emplacement de la lampe, et seule la couverture du manuel
a changé...
"à l'écoute du monde", c'est un peu optimiste avec ce
matériel...
... 
le condensateur variable démontable et préparation de la plaque
de montage
..... 
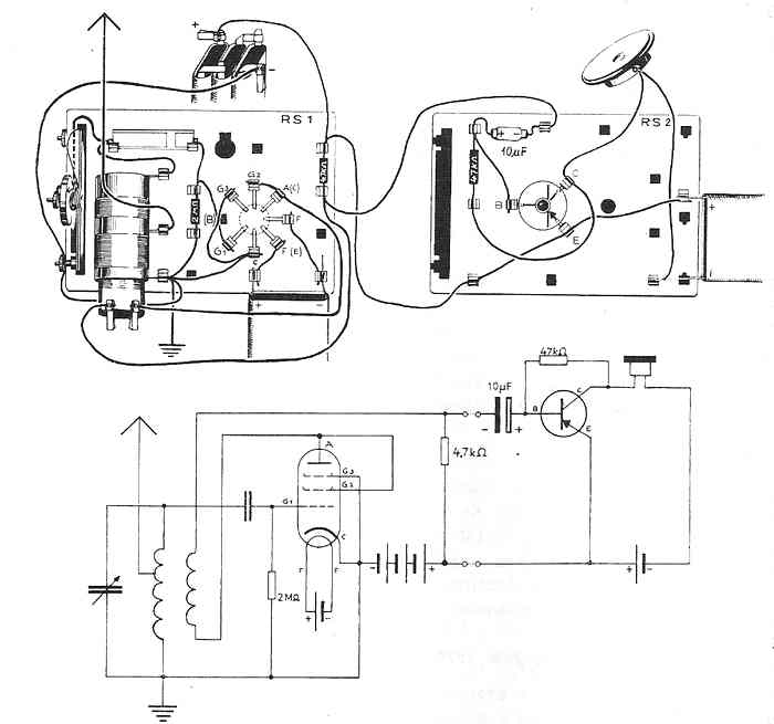
récepteur à réaction avec lampe et écouteur
téléphone
... 
récepteur avec lampe et transistor, montage provisoire avec du matériel
EE20...

catalogue GéGé : tout un ensemble de jeux scientifiques
et éducatifs
Le Jouet Scientifique : Radiogama et Radiorama (vers 1965-66)


coffret permettant le montage d'un récepteur à
transistors, pas de CV ni potentiomètre...
une autre boite plus complète permettant de réaliser plusieurs autres montages :
..... 
(cliquez pour voir l'emplacement d'origine)

radio 2 transistors, remis à l'endroit ;
un système de calques colorés permettait un montage sans erreurs
:
récepteur à deux transistors, accord par noyau
plongeur
***
extraits du catalogue "Le Jouet Scientifique" de 1966 :

....
chimie, biologie, électricité, photo... cliquez
pour agrandir
Philips 1050-1051-1052
le coffret de base
et son contenu ; en bas, façade, et plaque de montage
les transistors sont montés sur des petites plaquettes
...
les "add-on" : complément no1 et complément no2 pour
passer de 12 à 24 montages
le contenu des deux coffrets ; le bouton du CV n'est pas d'origine...
...
le manuel en anglais, et les schémas des montages : en bas à droite,
récepteur radio, montage n°24
...
carton à poser sur la plaque de montage et préparation
de la partie BF du récepteur à trois transistors
..
le montage terminé : beaucoup plus serré que dans
les kits EE8-EE20 ; d'où le nom "Compact EE" !
la radio trois transistors en état de fonctionnement
Philips X40 (Royaume-Uni Radionic Products 1973)

couvercle de la boite de montage

circuit imprimé et éléments sur supports à visser
.... 
couverture du manuel et détail du condensateur variable et d'un transistor

la radio à deux transistors, à réaction avec jack écouteur
en bas à droite
Tandy "75 in 1" 1976
..
le couvercle de la boite et la couverture du manuel
coffret en bois très complet, éléments fixes, il faut placer
les fils au moyen de ressorts
voir le site http://zpag.net/Electroniques/Kit/Electronic_Kit.htm pour d'autres modèles
...
modèle "50 in one" et son manuel
..
modèle "150 in one" avec circuit intégré et afficheur
7 segments
coffret BUKI (1995)

télécharger le manuel ici

le contenu, avec platine de montage et circuit imprimé

exemple de réalisation : radio PO avec haut-parleur
contrairement aux autres coffrets, peu d'indications sur le fonctionnement des composants
il y en a eu bien d'autres encore... voir le
site de Hans Otten
on peut télécharger de nombreux manuels ici : http://ee.old.no/library/